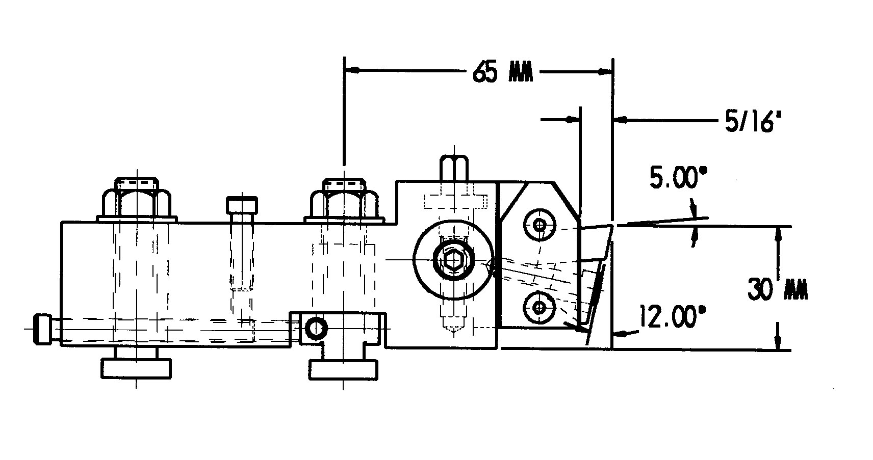
Insert Tool Holders for Traub TNM28 and TNM42 Machines


- Replaces horizontal dovetail form tool holders.
- Center height adjustment never has to be reset after sharpening insert.
- Machine downtime less than one minute for insert resharpenings or replacement.
|
CAT. NO. |
W/COOLANT ATTACHMENT |
"A" |
"B" |
INSERT SIZE |
|
RQC-TNM28-.75-CS |
57MM (2.244") |
5/16 |
3/4" X 5/16 |
|
|
RQC-TNM28-CS |
57MM (2.244") |
1/2 |
1-1/4" X 3/8 |
|
|
RQC-TNM28-1.75-CS |
57MM (2.244") |
1/2 |
1-3/4" X 3/8 |
|
|
RQC-TNM42-1.25-CS |
80MM (3.150") |
1/2 |
1-1/4" X 3/8 |
|
|
RQC-TNM42-1.75-CS |
80MM (3.150") |
1/2 |
1-3/4" X 3/8 |
|
|
RQC-TNM42-.75-CS |
80MM (3.150") |
5/16 |
3/4" X 5/16 |


"Style A"

"Style B"
Insert Tool Holders for Tornos SAS16 Machines, EuroTurn 6/20 and Gildemeister Machines
(Patent No. 5,345,846)- Replaces dovetail form tools.
- Replaces circular form tools.
- Center height adjustment never has to be reset after sharpening insert.
- Machine downtime less than one minute for insert resharpenings or replacement.
Fits: Tornos SAS16 (Positions 1,2), Euroturn 6/20 (Positions 1,4,6), Gildemeister GM20 (Positions 1,4)
|
CAT. NO. |
W/COOLANT ATTACHMENT |
INSERT SIZE |
|
1-1/8 X 5/16 |
||
|
3/4 X 5/16 |
||
| RQC16/20-A-NN | RQC16/20-A-NN-CS |
3/8 X 5/16 |
|
COOLANT ATTACHMENT ONLY |
||
(Note the appropriate size of insert needed for chosen holder.)
Fits: Tornos SAS16 (Positions 3,4,5), Euroturn 6/20 (Positions 2,3,5), Gildemeister GM20 (Positions 2,5)
|
CAT. NO. |
W/COOLANT ATTACHMENT |
INSERT SIZE |
|
1-1/8 X 5/16 |
||
|
3/4 X 5/16 3/8 X 5/16 |
||
|
COOLANT ATTACHMENT ONLY |
||
(Note the appropriate size of insert needed for chosen holder.)


Insert Serrated Tool Holders for Gildemeister and Euroturn Machines
(Patent No. 5,345,846)- Fits serrated tool blocks.
- Inserts offset close to spindle.
- Reversible for upside down positions.
- Replaces horizontal dovetail form tool holders.
- Center height adjustment never has to be reset after sharpening insert.
- Machine downtime less than one minute for insert resharpenings or replacement.
|
CAT. NO. |
W/COOLANT ATTACHMENT |
MACHINE |
"B" |
INSERT SIZE |
COOLANT ATTACHMENT ONLY |
|
GM16/20 & EUROTURN 6/20 |
5/16" |
5/16 X 1-1/8 |
|||
|
GM16/20 & EUROTURN 6/20 |
5/16" |
3/8 X 1-3/4 |
|||
|
GM35/42 |
1/2" |
3/8 X 1-3/4 |
|||
|
GM35/42 |
1/2" |
3/8 X 1-1/4 |
|||
|
EUR6/32-8/32 |
1/2" |
3/8 X 1-1/4 |
|||
|
EUR6/32-8/32 |
1/2" |
3/8 X 1-3/4 |



(203) 753-2114
(203) 756-5489
** Please note: We will be closed on Tuesday November 11 in honor of Veterans Day. **