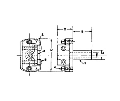
"V" Type Adjustable Floating Drill Holders


- Eliminates bushings
- Holds any size drill securely
- Reversible clamp
- Hardened ground jaws assure squareness
|
CAT. NO. |
A |
B |
C |
D |
E |
CAPACITY |
|
| MIN.* | MAX.* | ||||||
|
5/8 |
1-1/8 | 1" | 2" | 13/32 | 1/64 | 1/2 | |
| 3/4 | 1-3/4 | 1" | 2" | 13/32 | 1/64 | 1/2 | |
| 3/4 | 1-1/2 | 1-1/4 | 2-5/8 | 7/16 | 1/16 | 3/4 | |
| 1" | 1-3/4 | 1-5/8 | 3-1/2 | 11/16 | 1/8 | 1" | |



(203) 753-2114
(203) 756-5489
** Our Christmas Holiday schedule this year is as follows: We will be closed on Wednesday 12/24, Thursday 12/25, and Friday 12/26 in observance of Christmas. Merry Christmas! **